西门子200smart 实现多级传送带延时逆启顺停控制
↑戳上方 蓝字 “ PLC发烧友 ” 关注我们!
免费领丨65套电气计算EXCEL表格,自动生成!
今天我们跟大家分享一个常用并比较多见,而且也是工控人对PLC编程练习的好实例—多级传送带逆启顺停,对编程逻辑能力的练习及定时器的使用有一定程度的帮助。
接下来我们来看具体的控制要求:
(1)有3台电动机组成的3条皮带轮构成一条货物生产输送线,为了不造成货物的堆积,在按下启动按钮后,先有最后一台电动机运行,运行3秒钟后,自动启动第二台电动机运行,在运行3秒钟后再启动第一台电动机。
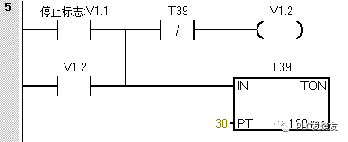
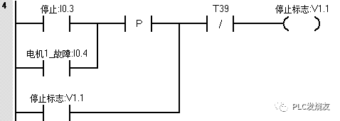
(2)当按下停止按钮时,最先停止第一台电动机;第一台停止3秒钟后停止第二台,第二台停止后3秒停止最后一台。
(3)当第一台电动机出现故障时,该电动机需要立即停止运行;后面两台每隔3秒停止;当第二台故障时,前两台需立即停止运行,最后一台3秒后停止运行;当最后一台故障时,所有电机均应停止运行。
(4)每台电动机需要有手动调试按钮,手自动两种模式需要有互锁。
(5)若在自动模式下运行时,任意一台电动机在运行不得转换手动模式,需停止后手动模式方可有效。
(6)按下急停时,所有电动机均停止运行。
看完以上控制要求后,我们就得其进行分析,首先有手自动两部分组成,并且在自动模式下,不能马上切换手动模式,需要正常停止后再切手动模式再有效。
其次,为了程序结构更直观、更好的便于理解,我们可以把手自动两部分做成两个子程序,在不同的模式下调用不同的子程序就行。
接着,分析完要求后当然就是针对会用到的一些变量分配IO表了,见下图:
| 符号名称 |
绝对地址 |
| 手自动切换 |
I0.1 |
| 启动 |
I0.2 |
| 停止 |
I0.3 |
| 电机1故障 |
I0.4 |
| 电机2故障 |
I0.5 |
| 电机3故障 |
I0.6 |
| 急停 |
I0.7 |
| 电机1手动 |
I1.0 |
| 电机2手动 |
I1.1 |
| 电机3手动 |
I1.2 |
| 电机1运行 |
Q0.0 |
| 电机2运行 |
Q0.1 |
| 电机3运行 |
Q0.2 |
最后,就是我们的核心部分--程序的设计编写
第一步:根据开始我们对项目要求的分析,可以设计成两个子程序;先是手动程序。
手动程序很简单,在没有故障的时候可以对每台电机单独点动运行。

第二步:自动程序,也是最重要最关键的一部分
1、根据项目要求,我们也可以分为启动部分和停止部分及故障部分
先是启动部分,在没有故障时当按下启动按钮,立即启动最后一台电机,每间隔3S后启动下一台电机。

2、3S后启动第二台电机

3、第二台电动机启动后3S启动第一台电机

4、启动完成后电机正常运行,下面是停止及故障部分的程序,在没有故障时按下停止按钮,最先停止第一台电机;若第一台电机出现故障时,亦是立即停止。

5、第一台停止后3S停止第二台电机

6、第二台停止后3S停止第三台电机,若第二台电机故障时,第三台延时停

7、任何一台在运行时运行指示都为1

第三步:就是对手自动两个程序在主程序MAIN中调用
1、在按下急停时,停止所有电机
2、在未按下急停时,默认为手动模式;当在自动模式有电机在运行则无法转换手动模式。
需要注意的是,当在自动模式运行时,若断开手自动切换按钮,自动子程序则不再扫描,而输出会保持在断开扫描之前的结果。

64本西门子电子书
小编收集整理了64本西门子系列电子书,应该算是西门子比较全的电子书库,快来为自己充充电!扫码免费领取!

扫码免费领取
往期推荐
【西门子案例】基于S7-1200 PLC的电机编号启动
【西门子PLC案例】基于液体混合控制程序设计
【实用】博途S7-1200 如何使用仿真功能
西门子200SMART控制两台电动机,顺启逆停
电机正反转电路图转S7-200SMART PLC梯形图两种方式
【干货】全自动洗衣机控制系统,超详细案例分享
【西门子案例】S7-1200PLC 可变延时跑马灯案例
【案例详解】西门子200SMART实用定位程序案例详解,附源程序!
