https://mp.weixin.qq.com/s/CKNm96fBj2r0sffNLNRxlA
SolidWorks钣金设计(4):支架
点击上方“ SolidWorks技巧 ”,选择“置顶公众号”
机械人关注的微信平台:技术分享、学习交流
完成结果如下图所示:

方法:
1.点击“基体法兰”按钮,在FRONT平面绘制如下图所示的草图。

设置深度为74mm,如下图所示。

2.点击“边线法兰”按钮,选择如下图所示的边,设置折弯角度为90度,法兰长度为4mm。

3.将上一步的边线法兰特征以RIGHT平面为参考镜像到对面。

4.再次点击“边线法兰”按钮,选择如下图所示的边,设置折弯角度为90度,法兰长度为8mm。

5.点击“拉伸切除”按钮,在模型顶部绘制如下图所示的草图。

将草图进行镜像。

勾选“与厚度相等”进行拉伸。

6.将整个模型实体进行镜像,以FRONT平面为参考。

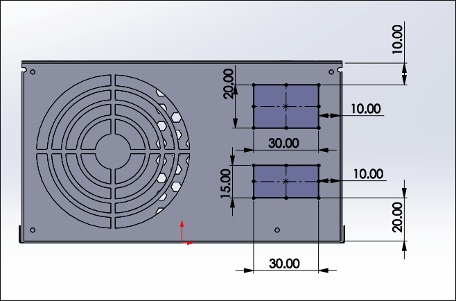
7.点击“拉伸切除”按钮,在模型侧面绘制如下图所示的草图,勾选“与厚度相等”进行拉伸。

8.在模型侧面绘制如下图所示的草图。

9.点击“填充阵列”,填充边界选择我上一步的草图,其他参数按照下图顺序进行设置。

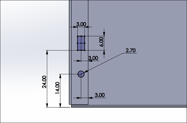
10.在模型的另一个侧面绘制如下图所示的草图。

11.点击“通风口”按钮,边界选择上一步草图外层最大的圆,筋选择草图的2条直线,翼梁选择为草图内层的所有圆,并设置相应的宽度。

完成后如下图所示。

12.点击“拉伸切除”按钮,在模型侧面绘制如下图所示的草图。

勾选“与厚度相等”进行拉伸。

完成。

