【案例】S7-200SMART 实时时钟如何在MCGS触摸屏上显示并写入
↑戳上方 蓝字 “ PLC发烧友 ” 关注我们!
免费丨65套电气计算EXCEL表格,自动生成!
今天给大家带来如何在MCGS昆仑通态触摸屏上显示S7-200SMART PLC实时时间,有些时候,我们想在触摸屏显示PLC实时时间,还要监控PLC才能查看PLC当前时间很麻烦,接下来带大家不用监控PLC直观的在触摸屏上去显示并写入实时时间。
01
读实时时钟时间
第一步:(在桌面打开STEP 7-MicroWIN SMART编程软件)

第二步:(用字节转整数+BCD码转整数指令来读取实时时钟时间(B_I—BCD_I))。



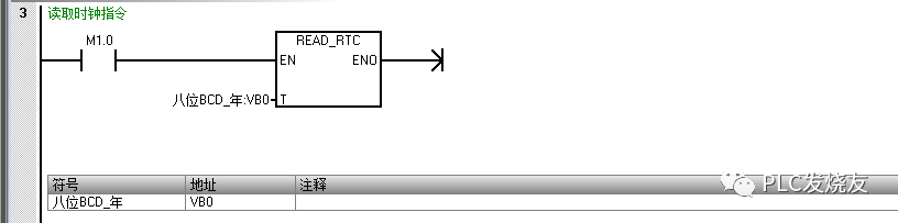
第三步:(读取实时时钟指令(READ_RTC))

02
写时钟时间
第一步:(用整数转BCD码+整数转字节来写入时钟设定时间(BCD_I—I_B)
)。


第二步:(设置实时时钟指令(SET_RTC)).

第三步:(监控读取PLC实时时间,当时时间:2020年6月11日15:09星期四)



第四步:(监控写入PLC设定时间,设定时间: 2016年6月12日18:22分星期日)


注意事项:在最后第八位表示星期的时候其中1 = 星期日,7 = 星期六,0 = 表示禁止计星期。
03
设计触摸屏时间画面
第一步:(在桌面上打开MCGSE组态环境软件)

第二步:(软件左上角菜单栏—文件—新建工程)

第三步:(新建工程设置—TPC)
类型(选择你设计触摸屏型号)
描述是你选择触摸屏型号的详细信息介绍


第四步:(打开工作台—设备窗口—鼠标双击设备窗口)

第五步:(打开设备窗口鼠标点击空白处并右击选择设备工具箱)。

第六步:(点击设备管理打开设备组态设置)

第七步:(选择通用TCP/IP父设备,点击新增,右侧选定设备就会自动添加进去)。
温馨提醒:这里为什么选择通用TCP/IP父设备呢?因为要填加一个主设备,才能填加子设备,这里的子设备是指:通信的PLC、仪表、变频器等!

第八步:(鼠标选中西门子Smart200,点击新增,右侧选定设备就会自动添加进去。)

第九步:(设备工具箱—设备管理—鼠标依次点击通用TCP/IP父设备—西门子_ Smart200到设备窗口里面去)。

第十步:(鼠标双击打开设备0——[西门子Smart200]进入通信配置)

第十一步:(在设备属性值填写IP地址)
本地IP地址:192.168.0.10里填写触摸屏地址或者电脑本地连接IP地址)
远程IP地址:192.168.0.240填写PLC通信IP地址)

第十二步:(添加设备通道,添加PLC变量地址)。
启动读取与启动写入变量设置如下:
通道类型:M内部继电器
数据类型:第0位(这里是指PLC地址变量小数点后面的位数,例如我地址是M0.5,那么在数据类型应填写通道的第05位)
通道地址:0(这里是指小数点前面位的地址,例如我地址是M1.5,那么应在通道地填写1)。
通道个数:代表连续的位数。
读写方式:选择读写即可。

以此类推下去:
M0.0启动写时钟PLC地址
M0.2启动读PLC时钟地址
读写时钟变量设置如下:
通道类型:M内部继电器
数据类型:选择16位无符号二进制数(16位等于一个字地址VW)
通道地址:24(通道个数,24代表VW24)。
通道个数:代表连续的个数。
读写方式:选择读写即可。
以此类推下去:
VW24读PLC年
VW26读PLC月
VW28读PLC日
VW30读PLC时
VW32读PLC分
VW34读PLC秒
VW36读PLC星期
VW50写PLC年
VW52写PLC月
VW54写PLC日
VW56写PLC时
VW58写PLC分
VW60写PLC秒
VW62写PLC星期


04
画面设计
第一步:(用户窗口—新建窗口—窗口1)

第二步:(双击打开窗口1,设计如下图S7-200SMART PLC 实时时钟时间(读取)画面)

1.使用标签功能来编写文字标题,如下图所示:

2.使用标签在属性设置输入输出连接勾线显示输出,后点击显示输出表达式关联PLC读地址,单位输入年,当然月就是输入月,根据地址定义,输出值类型选择数值量输出,输出格式选择十进制数,自然小数点,如下图所示:


3. 使用标准按钮设置启动时钟读取按钮,在基本属性文本写入启动读取,操作属性—勾选数据对象值操作—取反,点击问号关联PLC变量地址。


4. 使用标准按钮设置切换写入时钟画面,在基本属性文本写入切换写入时间,操作属性—勾选打开用户窗口选择窗口2。


第三步:(双击打开窗口1,设计如下图S7-200SMART PLC 实时时钟时间(写入)画面)。写入画面设计与读取设计是基本是一致的,大家可以参考读取来以此类推。

05
演示效果
第一步:(点击模拟运行—工程下载—启动运行)


来源:PLC发烧友,作者:技成-徐陈爽,转载请注明出处!文章提供源程序,如需要下载,关注公众号“PLC发烧友”,回复:时钟指令,免费领取。评论处大家可以补充文章解释不对或欠缺的部分,这样下一个看到的人会学到更多,你知道的正是大家需要的。。。
END
下面是小编给大家准备的“西门子全套”资料,含手册、案例、软件等资料,不要忘记领取哦~

【案例】星三角降压启动与触摸屏上显示
2020-12-23
【案例】200SMART PLC 运行时间累积
2020-12-22
MCGS(昆仑通态)与 S7-200 SMART以太网通讯
2020-12-21
西门子200smart 实现多级传送带延时逆启顺停控制
2020-12-17
【西门子案例】基于S7-1200 PLC的电机编号启动
2020-12-15
